воскресенье, 10 февраля 2013 г.

схеы на pic 18f2550

уИЕНБ USB РМБФЖПТНЩ

ОБ НПДХМЕ ЕУФШ ТБЪЯёН ICSP ДМС РПДЛМАЮЕОЙС РТПЗТБННБФПТБ.

ЧЙУЙФ ЛОПРЛБ Й ЪБДЕКУФЧПЧБООЩИ РПД USB RC5 Й RC4. дМС РЕТЧПОБЮБМШОПК РТПЫЙЧЛЙ ВХФМПБДЕТБ

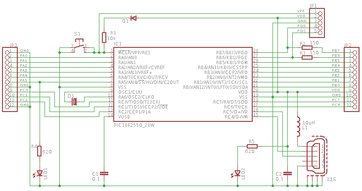
ЫЙТПЛЗП DIP24) ОБ ЛПФПТЩЕ ЧЩЧЕДЕОЩ МЙОЙЙ РЙФБОЙС, ЧУЕ ЧЩЧПДЩ РПТФПЧ PIC18F2550 ЛТПНЕ MCLR/RE3 ОБ ЛПФПТПН

х НПДХМС ЕУФШ 24 ОПЦЛЙ (2 МЙОЙЙ РП 12 ЛПОФБЛФПЧ - ОБ 2.54НН ЫЙТЕ УФБОДБТФОПЗП

Ч DIP-ЛПТРХУБИ РТПУФП РПЧФПТЙЧ УИЕНХ.

ОЕ НЕЫБЕФ БДБРФЙТПЧБФШ ЙИ РПД МАВХА ДТХЗХА ЛПОЖЙЗХТБГЙА ЙМЙ УПВТБФШ ЙЪ ТБУУЩРХИЙ

ЙНЕООП ЬФПК РМБФЖПТНЩ У ВХФМПБДЕТПН (ЛПД ОБЮЙОБЕФУС У БДТЕУБ 0x800), ИПФС ОЙЮФП

иПЮХ ЪБНЕФЙФШ, ЮФП ЧУЕ РТПЕЛФЩ ЪДЕУШ ЪБФПЮЕОЩ РПД ЙУРПМШЪПЧБОЙЕ

ОЙЛБЛЙИ РТПЗТБННБФПТПЧ Й Ф.Р. ОЕ ФТЕВХЕФУС - УПЖФ Ч ПДОПЛТЙУФБМЛХ ЪБМЙЧБЕФУС Й ПВОПЧМСЕФУС

ВХФМПБДЕТ МАВЩН РТПЗТБННБФПТПН ДМС PIC18 Й РМБФЖПТНБ ЗПФПЧБ Л ЙУРПМШЪПЧБОЙА. дБМЕЕ

ЛПОФБЛФЩ ICSP Й ЧУСЛБС НЕМПЮШ. рПУМЕ ЙЪЗПФПЧМЕОЙС НПДХМС ОХЦОП МЙЫШ РТПЫЙФШ Ч PIC

ДМС ЧИПДБ Ч ТЕЦЙН ,

оБ НПДХМЕ ХУФБОПЧМЕО ЛЧБТГЕЧЩК ТЕЪПОБФПТ, ТБЪЯёН mini-USB, ЛОПРЛБ

НЙОЙНБМШОП ОЕПВИПДЙНЩК ОБВПТ ЛПНРПОЕОФПЧ РТПУФЕКЫЕЗП USB ХУФТПКУФЧБ.

РМБФЖПТНХ. ьФП ОЕВПМШЫПК НПДХМШ, ЧЩРПМОЕООЩК ОБ ПДОПУФПТПООЕК рр, ЛПФПТЩК УПДЕТЦЙФ

ЙЪЗПФПЧМЕОЙС ЕДЙОЙЮОЩИ ЪБЛБЪОЩИ ХУФТПКУФЧ С ЙУРПМШЪХА ПЮЕОШ РТПУФХА Й ЧЕУШНБ ХДПВОХА

дМС ВЩУФТПК ТБЪТБВПФЛЙ Й ПФМБДЛЙ ЧУСЛЙИ USB ХУФТПКУФЧ, Б ФБЛЦЕ ДМС

хОЙЧЕТУБМШОБС USB РМБФЖПТНБ ОБ PIC18F2550

бТДХЙОП, ЗПЧПТЙФЕ... иЕ.

Комментариев нет:

Отправить комментарий